【产品简介】
大口径法兰常见的有平焊法兰和对焊法兰 两种连接形式 。大口径法兰上有螺栓孔可穿螺栓使两片法兰紧固连接,法兰间用衬垫形式密封。在现实的生产销售中还是平焊产品的 比较占优势 。平焊大口径法兰和对焊大口径法兰的结构和使用的范围不同,能够展现的特点和优点也会不同,所以在使用时要针对不同的范围进行使用,保证法兰发挥重要的作用。大口径平焊法兰的钢性较差,适用于压力 PN ≤4 .0 MPa的场合;对焊法兰又称高颈法兰,刚性较大,适用于压力温度较高的场合。法兰密封面的型式有三种:平面型密封面,适用于压力不高、介质无毒的场合;凹凸密封面,适用于压力稍高的场合;榫槽密封面,适用于易燃、易爆、有毒介质及压力较高的场合。不同性质的法兰管件在不同的领域中具有良好的产品性能,适应的场合和空间不同,产生的功效也会不同。
大口径法兰公称压力的确定与法兰的最大操作压力、操作温度以及法兰材料有关。因为在制定法兰尺寸系列、计算法兰厚度时,是以20MnR在250℃时的机械性能为基准制定的。所以规定以此基准所确定的法兰尺寸,在200℃时,它的最大允许操作压力就认为是具有该尺寸法兰的公称压力。
螺栓载荷和内压联合作用下的法兰产生偏转和翘曲变形,使得垫片表面的应力分布不均。径向应力呈现明显内松外紧的状况,并且随着法兰口径的增大不均匀性愈加明显,环向应力分布相对均匀。表明现行标准中法兰存在刚度不足的问题,而螺栓的数目足够保证垫片环向应力分布的均匀性。在三种类型的设备法兰中,甲型法兰刚性较差仅能应用于压力等级较低的公共场所。乙型法兰筒体免受法兰变形产生的附加弯矩且刚度较高适应较大尺寸场合。大口径法兰刚度最大,可承受更高压力。
【生产工艺】
生产工艺主要分为 钢料锻制、中板 卷制这 两 种 制作程序 。
锻造法兰 一般比铸造法兰含碳低不易生锈,锻件流线型好,组织比较致密,机械性能优于铸造法兰 。 锻造工艺不当也会出现晶粒大或不均,硬化裂纹现象,锻造成本高于铸造法兰。锻件比铸件能承受更高的剪切力和拉伸力。锻件优点在于内部组织均匀,不存在铸件中的气孔,夹杂等有害缺陷 。
锻造工艺过程一般由以下工序组成,即选取优质钢坯下料、加热、成形、锻后冷却 三道程序 。锻造的工艺方法有自由锻、模锻和胎膜锻。生产时,按锻件质量的大小,生产批量的多少选择不同的锻造方法。
自由锻生产率低,加工余量大,但工具简单,通用性大,故被广泛用于锻造形状较简单的单件、小批生产的锻件。自由锻设备有空气锤、蒸汽-空气锤和水压机等,分别适合小、中和大型锻件的生产。模锻生产率高,操作简单,容易实现机械化和自动化。模锻件尺寸精度高,机械加工余量小,锻件的纤维组织分布更为合理,可进一步提高零件的使用寿命。
自由锻的基本工序:自由锻造时,锻件的形状是通过一些基本变形工序将坯料逐步锻成的。自由锻造的基本工序有镦粗、拔长、冲孔、弯曲和切断等。镦粗是对原坯料沿轴向锻打,使其高度减低、横截面增大的操作过程。这种工序常用于锻造齿轮坯和其他圆盘形类锻件。镦粗分为全部镦粗和局部锻粗两种。拔长是使坯料的长度增加,截面减小的锻造工序,通常用来生产轴类件毛坯,如车床主轴、连杆等 。 冲孔 , 用冲子在坯料上冲出通孔或不通孔的锻造工序。弯曲 , 使坯料弯曲成一定角度或形状的锻造工序。扭转 , 使坯料的一部分相对另一部分旋转一定角度的锻造工序。切割 , 分割坯料或切除料头的锻造工序。
模锻全称为模型锻造,将加热后的坯料放置在固定于模锻设备上的锻模内锻造成形的。模锻的基本工序 模锻工艺过程:下料、加热、预锻、终锻、冲连皮、切边、调质、喷丸。常用工艺有镦粗、拔长,折弯、冲孔、成型。常用模锻设备 常用模锻设备有模锻锤、热模锻压力机、平锻机和摩擦压力机等。
通俗地讲,锻造法兰质量更好,一般是通过模锻生产,晶体组织细密,强度高,当然价格也贵一些。
无论是铸造法兰还是锻造法兰都属于法兰常用制造方法,看需要使用的部件的强度要求,如果要求不高,还可以选用车削制法兰。
卷制法兰 , 用中板割条子然后卷制成圆的工艺叫做卷制,多用于一些大型法兰的生产。卷制成功之后进行焊接,然后压平,再进行水线及螺栓孔的工艺的加工。
包装 一般是涂上防锈油之后用编织带缠绕。较小的也可以木箱及木排包装。还有一些特殊规格的超大法兰则需要到现场进行焊接加工。
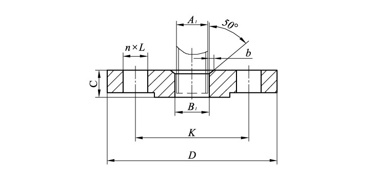
【产品结构】
|
PN0.25MPa(2.5bar)平面、突面板式平焊法兰钢制管法兰 |
||||||||||||
|
公称通径 |
钢管外径 |
法兰外径 |
中心圆直径 |
螺栓孔径 |
螺栓数量 |
螺纹规格 |
密封面尺寸 |
法兰厚度 |
法兰内径 |
|||
|
DN |
系列Ⅰ |
系列Ⅱ |
D |
K |
L |
n |
Th. |
d |
f |
C |
系列Ⅰ |
系列Ⅱ |
|
600 |
610 |
630 |
755 |
705 |
26 |
20 |
M24 |
667 |
2 |
36 |
616.5 |
634 |
|
700 |
711 |
720 |
860 |
810 |
26 |
24 |
M24 |
772 |
5 |
36 |
715.0 |
724 |
|
800 |
813 |
820 |
975 |
920 |
30 |
24 |
M27 |
878 |
5 |
38 |
817.0 |
824 |
|
900 |
914 |
920 |
1075 |
1020 |
30 |
24 |
M27 |
978 |
5 |
40 |
918.0 |
924 |
|
1000 |
1016 |
1020 |
1175 |
1120 |
30 |
28 |
M27 |
1078 |
5 |
42 |
1020.0 |
1024 |
|
1200 |
1220 |
1220 |
1375 |
1320 |
30 |
32 |
M27 |
1295 |
5 |
44 |
1224.0 |
1224 |
|
1400 |
1420 |
1420 |
1575 |
1520 |
30 |
36 |
M27 |
1510 |
5 |
48 |
1424.0 |
1424 |
|
1600 |
1620 |
1620 |
1790 |
1730 |
30 |
40 |
M27 |
1710 |
5 |
51 |
1624.0 |
1624 |
|
1800 |
1820 |
1820 |
1990 |
1930 |
30 |
44 |
M27 |
1918 |
5 |
54 |
1824.0 |
1824 |
|
2000 |
2020 |
2020 |
2190 |
2130 |
30 |
48 |
M27 |
2125 |
5 |
58 |
2024.0 |
2024 |
|
PN0.60MPa(6.0bar)平面、突面板式平焊法兰钢制管法兰 |
||||||||||||
|
公称通径 |
钢管外径 |
法兰外径 |
中心圆直径 |
螺栓孔径 |
螺栓数量 |
螺纹规格 |
密封面尺寸 |
法兰厚度 |
法兰内径 |
|||
|
DN |
系列Ⅰ |
系列Ⅱ |
D |
K |
L |
n |
Th. |
d |
f |
C |
系列Ⅰ |
系列Ⅱ |
|
600 |
610 |
630 |
755 |
705 |
26 |
20 |
M24 |
667 |
2 |
36 |
616.5 |
634 |
|
700 |
711 |
720 |
860 |
810 |
26 |
24 |
M24 |
772 |
5 |
40 |
715.0 |
724 |
|
800 |
813 |
820 |
975 |
920 |
30 |
24 |
M27 |
878 |
5 |
44 |
817.0 |
824 |
|
900 |
914 |
920 |
1075 |
1020 |
30 |
24 |
M27 |
978 |
5 |
48 |
918.0 |
924 |
|
1000 |
1016 |
1020 |
1175 |
1120 |
30 |
28 |
M27 |
1078 |
5 |
52 |
1020.0 |
1024 |
|
1200 |
1220 |
1220 |
1405 |
1340 |
33 |
32 |
M30 |
1295 |
5 |
60 |
1224.0 |
1224 |
|
1400 |
1420 |
1420 |
1630 |
1560 |
36 |
36 |
M33 |
1510 |
5 |
68 |
1424.0 |
1424 |
|
1600 |
1620 |
1620 |
1830 |
1760 |
36 |
40 |
M33 |
1710 |
5 |
76 |
1624.0 |
1624 |
|
1800 |
1820 |
1820 |
2045 |
1970 |
39 |
44 |
M36 |
1918 |
5 |
84 |
1824.0 |
1824 |
|
2000 |
2020 |
2020 |
2265 |
2180 |
42 |
48 |
M39 |
2125 |
5 |
92 |
2024.0 |
2024 |
|
PN1.00MPa(10bar)平面、突面板式平焊法兰钢制管法兰 |
||||||||||||
|
公称通径 |
钢管外径 |
法兰外径 |
中心圆直径 |
螺栓孔径 |
螺栓数量 |
螺纹规格 |
密封面尺寸 |
法兰厚度 |
法兰内径 |
|||
|
DN |
系列Ⅰ |
系列Ⅱ |
D |
K |
L |
n |
Th. |
d |
f |
C |
系列Ⅰ |
系列Ⅱ |
|
600 |
610 |
630 |
780 |
725 |
30 |
20 |
* |
685 |
5 |
36 |
616.5 |
634 |
|
700 |
711 |
720 |
895 |
840 |
32 |
24 |
* |
805 |
5 |
38 |
715.0 |
724 |
|
800 |
813 |
820 |
1010 |
950 |
34 |
24 |
* |
910 |
5 |
40 |
817.0 |
824 |
|
900 |
914 |
920 |
1110 |
1050 |
34 |
28 |
* |
1005 |
5 |
42 |
918.0 |
924 |
|
1000 |
1016 |
1020 |
1220 |
1160 |
34 |
28 |
* |
1115 |
5 |
44 |
1020.0 |
1024 |
|
1200 |
1220 |
1220 |
1445 |
1380 |
41 |
32 |
* |
1325 |
5 |
48 |
1224.0 |
1224 |
|
1400 |
1420 |
1420 |
1675 |
1590 |
48 |
36 |
* |
1525 |
5 |
54 |
1424.0 |
1424 |
|
1600 |
1620 |
1620 |
1915 |
1820 |
54 |
40 |
* |
1750 |
5 |
62 |
1624.0 |
1624 |
|
1800 |
1820 |
1820 |
2115 |
2020 |
54 |
44 |
* |
1950 |
5 |
66 |
1824.0 |
1824 |
|
2000 |
2020 |
2020 |
2325 |
2230 |
54 |
48 |
* |
2160 |
5 |
72 |
2024.0 |
2024 |
|
PN1.60MPa(16bar)平面、突面板式平焊法兰钢制管法兰 |
||||||||||||
|
公称通径 |
钢管外径 |
法兰外径 |
中心圆直径 |
螺栓孔径 |
螺栓数量 |
螺纹规格 |
密封面尺寸 |
法兰厚度 |
法兰内径 |
|||
|
DN |
系列Ⅰ |
系列Ⅱ |
D |
K |
L |
n |
Th. |
d |
f |
C |
系列Ⅰ |
系列Ⅱ |
|
600 |
610 |
630 |
840 |
770 |
41 |
20 |
* |
718 |
5 |
50 |
616.5 |
634 |
|
700 |
711 |
720 |
910 |
840 |
41 |
24 |
* |
790 |
5 |
54 |
715.0 |
724 |
|
800 |
813 |
820 |
1020 |
950 |
41 |
24 |
* |
898 |
5 |
60 |
817.0 |
824 |
|
900 |
914 |
920 |
1120 |
1050 |
41 |
28 |
* |
998 |
5 |
66 |
918.0 |
924 |
|
1000 |
1016 |
1020 |
1255 |
1170 |
48 |
28 |
* |
1110 |
5 |
72 |
1020.0 |
1024 |
|
1200 |
1220 |
1220 |
1485 |
1390 |
54 |
32 |
* |
1325 |
5 |
78 |
1224.0 |
1224 |
|
1400 |
1420 |
1420 |
1685 |
1590 |
54 |
36 |
* |
1525 |
5 |
84 |
1424.0 |
1424 |
|
1600 |
1620 |
1620 |
1930 |
1820 |
58 |
40 |
* |
1750 |
5 |
92 |
1624.0 |
1624 |
|
PN2.50MPa(25bar)平面、突面板式平焊法兰钢制管法兰 |
||||||||||||
|
公称通径 |
钢管外径 |
法兰外径 |
中心圆直径 |
螺栓孔径 |
螺栓数量 |
螺纹规格 |
密封面尺寸 |
法兰厚度 |
法兰内径 |
|||
|
DN |
系列Ⅰ |
系列Ⅱ |
D |
K |
L |
n |
Th. |
d |
f |
C |
系列Ⅰ |
系列Ⅱ |
|
600 |
610 |
630 |
840 |
770 |
41 |
20 |
* |
718 |
5 |
56 |
616.5 |
634 |
|
700 |
711 |
720 |
955 |
875 |
48 |
24 |
* |
815 |
5 |
62 |
715.0 |
724 |
|
800 |
813 |
820 |
1070 |
990 |
48 |
24 |
* |
930 |
5 |
68 |
817.0 |
824 |
|
900 |
914 |
920 |
1180 |
1090 |
54 |
28 |
* |
1025 |
5 |
74 |
918.0 |
924 |
|
1000 |
1016 |
1020 |
1305 |
1210 |
58 |
28 |
* |
1140 |
5 |
82 |
1020.0 |
1024 |
|
1200 |
1220 |
1220 |
1525 |
1420 |
58 |
32 |
* |
1350 |
5 |
90 |
1224.0 |
1224 |
|
1400 |
1420 |
1420 |
1750 |
1640 |
65 |
36 |
* |
1560 |
5 |
98 |
1424.0 |
1424 |
【备注事项】
以上参数均为参考实际以实时情况咨询为准!有关 大口径法兰 技术方面及未注明参数请咨询电话:4008241666;销售价格咨询:13307150555.
